产品概述
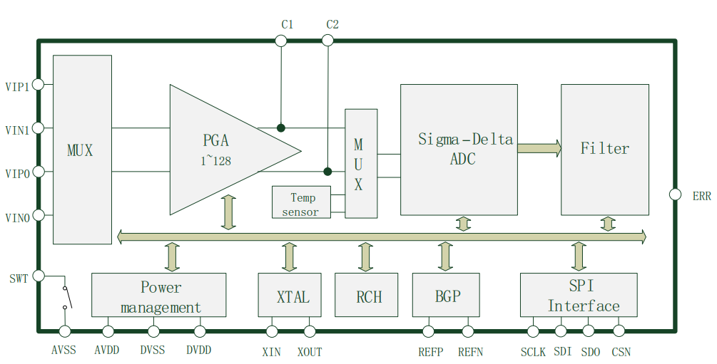
KY5532 为一款 SPI 接口的双通道、32 位高精度 ADC 芯片,内置 1~128 倍可编程的低噪声仪表放大器、高精度 Sigma-Delta ADC,同时内部集成温度传感器、高精度基准电压源、晶体起振电路、高频内部 RC 时钟源。 ADC 实际有效精度(ENOB)24BIT@1 倍 PGA,22BIT@64 倍 PGA,等效输入噪声低至 6nV/√
特性
应用
器件信息
简化通道结构图
工作电压范围: 2.8~5.5V
 工作电流:
- 工作模式: 5mA
- 低功耗模式: 1uA
 内置低噪声放大器,1/2/4/8/16/32/64/128倍可灵活配置
 双通道差分信号输入
 32 位高精度低零漂 Sigma-Delta ADC
 内置晶体起振电路,频率 2MHz~8Mhz,默认选用 4.9152MHz
 集成 4.9MHz 内部高频 RC 时钟,-40~85℃范围内温漂 1%
 集成 10ppm/℃的高精度基准参考电压源,默认使用外部输入的基准参考电压
  • 各类电子秤
  • 分析天平
  • 工业过程控制
  • 直流/交流电能测量
  • 耳温枪等需要高精度、低零漂的应用场合。
产品型号 封装 标准包装
KY5532-1 SSOP-20 Reel,2000
KY5532-1 模块功能图
样品申请
在此提交样品申请表单,我们将3-7个工作日 内审核,请您耐心等待