产品概述
KY5532 为一款 SPI 接口的双通道、32 位高精度 ADC 芯片,内置 1~128 倍可编程的低噪声仪表放大器、高精度 Sigma-Delta ADC,同时内部集成温度传感器、高精度基准电压源、晶体起振电路、高频内部 RC 时钟源。ADC 实际有效精度(ENOB)24.3BIT@1 倍 PGA,22.9BIT@64 倍 PGA,等效输入噪声低至 3nV/√。
特性
应用
器件信息
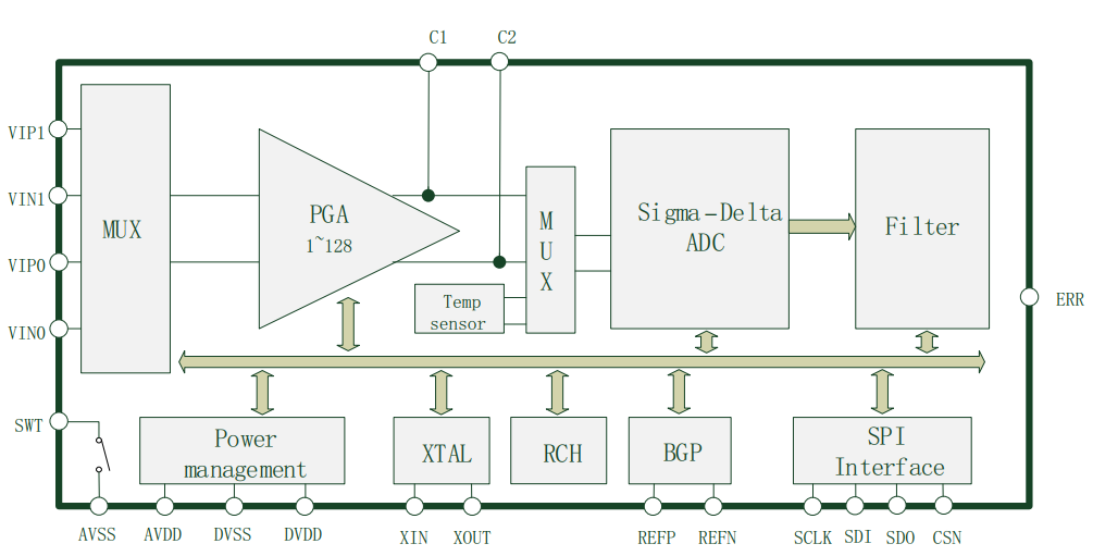
简化通道结构图
工作电压范围: 2.8~5.5V
 工作电流:
- 工作模式: 5mA
- 低功耗模式: 1uA
 内置低噪声放大器,1/2/4/8/16/32/64/128倍可灵活配置
 双通道差分信号输入
 32 位高精度低零漂 Sigma-Delta ADC
- 支持 14 种采样速率,6.25 Hz~51200 Hz
- 支持 50 或 60Hz 模式
- 支持 DC 偏差自校正
- 线性度 0.0005% FS,24BIT 有效位数
- 噪声水平: 3nV/√
  • 各类电子秤
  • 分析天平
  • 工业过程控制
  • 直流/交流电能测量
  • 耳温枪等需要高精度、低零漂的应用场合。
零件号 封装 标准包装
KY5532-2 SSOP20 Reel,2000
KY5532-2 模块功能图
样品申请
在此提交样品申请表单,我们将3-7个工作日 内审核,请您耐心等待